该种液压启闭机适合于各种深度的中小型水利、水电及市政工程的闸门,也可用于平面事故闸门,它具备结构简单,无需设立液压站及泵房,安装方便,现场接通电源即可工作。
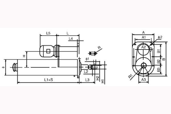
一、平面闸门液压启闭机DYQP-H型分类及安装结构图
1、双吊点工作闸门

2、单吊点上下工作闸门

二、平面闸门液压启闭机DYQP-H外形安装尺寸参数
| 型号 | L | Ll | L2 | L3 | L4 | Φ | Φ1 | Φ2 | R | R1 | A | A1 | A2 | A3 | B | B1 | B2 | B3 | H | H1 | H2 |
| DYQP-HZ63□□□ | 340 | 520 | 48 | 按 工 程 需 要 预 定 | 30 | 300 | 45 | 18 | 40 | 195 | 390 | 280 | 340 | 170 | 590 | 200 | 175 | 150 | 270 | 80 | 32 |
| DYQP-HZ100□□□ | 340 | 580 | 58 | 40 | 350 | 55 | 22 | 50 | 230 | 460 | 340 | 410 | 205 | 730 | 255 | 220 | 180 | 350 | 110 | 42 | |
| DYQP-HZ160□□□ | 420 | 870 | 68 | 40 | 350 | 65 | 22 | 60 | 230 | 460 | 340 | 410 | 205 | 730 | 255 | 220 | 180 | 350 | 130 | 52 | |
| DYQP-HZ200□□□ | 550 | 1145 | 90 | 40 | 350 | 80 | 27 | 70 | 230 | 460 | 340 | 410 | 205 | 730 | 255 | 220 | 180 | 350 | 150 | 90 | |
| DYQP-HZ400□□□ | 650 | 1145 | 100 | 50 | 400 | 90 | 33 | 85 | 270 | 540 | 420 | 480 | 240 | 940 | 300 | 240 | 210 | 400 | 180 | 120 | |
| DYQP-HZ600□□□ | 780 | 1145 | 120 | 60 | 500 | 100 | 36 | 100 | 330 | 660 | 575 | 590 | 295 | 1040 | 375 | 300 | 255 | 500 | 210 | 140 | |
| DYQP-HZ1000□□□ | 1100 | 1240 | 160 | 60 | 600 | 150 | 39 | 155 | 390 | 780 | 740 | 700 | 350 | 1240 | 450 | 360 | 300 | 600 | 360 | 250 |